Ввідно-розподільчі щити
Панелі розподільчих щитів
Ящики силові
Щити управління
Конденсаторні установки
Збірки кабельні
Щити поверхові та квартирні
Щити тимчасового електроспоживання
Щити освітлення
Реле часу | таймер освітлення ENEXT автоматичне керування обладнанням

ПРИСТРОЇ КОНТРОЛЮ ТА УПРАВЛІННЯ

РЕЛЕ ЧАСУ ТА ТАЙМЕРИ e.control.t

РЕЛЕ ЧАСУ ТА ТАЙМЕРИ e.control.t

ПРИЗНАЧЕННЯ

Призначені для автоматичного
увімкнення / вимкнення електротехнічного
обладнання відповідно до встановленої
витримки часу або заданої програми по
сигналу управління або подачі / знятті
напруги живлення.

ПРИЗНАЧЕННЯ
enext лого

ТАЙМЕР ОСВІТЛЕННЯ e.control.t01

Автоматичне увімкнення і вимкнення
електротехнічного обладнання через певні
проміжки часу протягом тижня в ланцюгах
автоматики і управління різними
технологічними процесами.

• Витримка часу – 1-7 хв.;

Регулювання – з кроком 0,5 хв.

ТАЙМЕР ОСВІТЛЕННЯ e.control.t01
ТАЙМЕР ОСВІТЛЕННЯ e.control.t01
enext лого

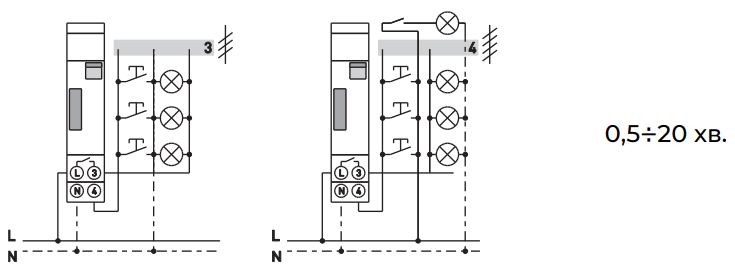
ТАЙМЕР ОСВІТЛЕННЯ e.control.t02

Автоматичне вимкнення ланцюгів
освітлення коридорів та інших об’єктів по
закінченню встановленої витримки часу.

• Витримка часу: 0,5-20 хв.;

• Регулювання: плавне.

ТАЙМЕР ОСВІТЛЕННЯ e.control.t01
ТАЙМЕР ОСВІТЛЕННЯ e.control.t02
enext лого

ЗАСТОСУВАННЯ

ЗАСТОСУВАННЯ
ЗАСТОСУВАННЯ
ЗАСТОСУВАННЯ
ЗАСТОСУВАННЯ

ТАЙМЕР ЕЛЕКТРОМЕХАНІЧНИЙ e.control.t03

Застосовується для керування
електротехнічним обладнанням
протягом доби згідно встановленої
програми.

• Кількість сегментів: 96;

• Крок циклу: 15 хв.;

• Ширина: 18 мм.;

• Час роботи від акумулятора:не менш ніж 72 год

ТАЙМЕР ЕЛЕКТРОМЕХАНІЧНИЙ e.control.t03
ТАЙМЕР ЕЛЕКТРОМЕХАНІЧНИЙ e.control.t03
enext лого

ТАЙМЕР ЕЛЕКТРОМЕХАНІЧНИЙ e.control.t04m

Застосовується для керування
електротехнічним обладнанням
протягом доби згідно встановленої
програми.

• Кількість сегментів: 48;

• Крок циклу: 30 хв.;

• Ширина: 54 мм.;

• Час роботи від акумулятора: не менш ніж 150 год.

ТАЙМЕР ЕЛЕКТРОМЕХАНІЧНИЙ e.control.t04m
ТАЙМЕР ЕЛЕКТРОМЕХАНІЧНИЙ e.control.t04m
enext лого

ПРИКЛАД ЗАСТОСУВАННЯ

ПРИКЛАД ЗАСТОСУВАННЯ
enext лого

ТАЙМЕР ЕЛЕКТРОННИЙ ТИЖНЕВИЙ ОДНОКАНАЛЬНИЙ control.t08m

Застосовується для керування
електротехнічним обладнанням протягом
тижня згідно встановленої програми.

• Кількість програм: 80;

• Мінімальний крок Увімк/Вимк: 1 хв.;

• Ширина: 36 мм.

ТАЙМЕР ЕЛЕКТРОННИЙ ТИЖНЕВИЙ ОДНОКАНАЛЬНИЙ control.t08m
ТАЙМЕР ЕЛЕКТРОННИЙ ТИЖНЕВИЙ ОДНОКАНАЛЬНИЙ control.t08m
ТАЙМЕР ЕЛЕКТРОННИЙ ТИЖНЕВИЙ ОДНОКАНАЛЬНИЙ control.t08m
enext лого

ТАЙМЕР ЕЛЕКТРОННИЙ ТИЖНЕВИЙ ДВОКАНАЛЬНИЙ e.control.t09

Застосовується для керування двома
незалежними групами електротехнічним
обладнанням протягом тижня згідно
встановленої програми.

• Кількість програм (по 2-м каналам): 100;

• Мінімальний крок Увімк/Вимк: 1 хв.;

• Ширина – 36 мм.

ТАЙМЕР ЕЛЕКТРОННИЙ ТИЖНЕВИЙ ДВОКАНАЛЬНИЙ e.control.t09
ТАЙМЕР ЕЛЕКТРОННИЙ ТИЖНЕВИЙ ДВОКАНАЛЬНИЙ e.control.t09
ТАЙМЕР ЕЛЕКТРОННИЙ ТИЖНЕВИЙ ДВОКАНАЛЬНИЙ e.control.t09
enext лого

ПРИКЛАД ЗАСТОСУВАННЯ

ПРИКЛАД ЗАСТОСУВАННЯ
enext лого

ТАЙМЕР АСТРОНОМІЧНИЙ ОДНОКАНАЛЬНИЙ e.control.t10m

Застосовується для керування групою
освітлення згідно астрономічного циклу.

• Кількість програм: 40;

• Мінімальний крок Увімк/Вимк: 1 хв.;

• Ширина: 36 мм.

ТАЙМЕР АСТРОНОМІЧНИЙ ОДНОКАНАЛЬНИЙ e.control.t10m
ТАЙМЕР АСТРОНОМІЧНИЙ ОДНОКАНАЛЬНИЙ e.control.t10m
ТАЙМЕР АСТРОНОМІЧНИЙ ОДНОКАНАЛЬНИЙ e.control.t10m
enext лого

ТАЙМЕР АСТРОНОМІЧНИЙ ДВОКАНАЛЬНИЙ e.control.t10

Застосовується для керування двома
незалежними групами освітлення згідно
астрономічного циклу.

• Кількість програм (по 2-м каналам): 80;

• Мінімальний крок Увімк/Вимк: 1 хв.;

• Ширина: 36 мм.

ТАЙМЕР АСТРОНОМІЧНИЙ ОДНОКАНАЛЬНИЙ e.control.t10m
ТАЙМЕР АСТРОНОМІЧНИЙ ДВОКАНАЛЬНИЙ e.control.t10
ТАЙМЕР АСТРОНОМІЧНИЙ ДВОКАНАЛЬНИЙ e.control.t10
enext лого

БАГАТОФУНКЦІОНАЛЬНЕ РЕЛЕ ЧАСУ e.control.t06m

Застосовується для забезпечення затримки
часу вмикання/вимикання
в колах автоматики відносно напруги
живлення або сигналу управління.

• Максимальний робочий струм: 8 А;

• Діапазон встановлення часу: 0,1 сек-10 днів;

• Кількість функцій: 10;
• Ширина: 18 мм.

БАГАТОФУНКЦІОНАЛЬНЕ РЕЛЕ ЧАСУ e.control.t06m
БАГАТОФУНКЦІОНАЛЬНЕ РЕЛЕ ЧАСУ e.control.t06m
enext лого

ФУНКЦІЇ e.control.t06m

Літерні позначення відповідають наступним
режимам:
• А – затримка на включення при подачі напруги;
• В – затримка на відключення після подачі напруги;
• З – циклічна робота, початок з «вимкнено»;
• D – циклічна робота, початок з «увімкнено»;
• E – робота з витримкою часу по сигналу управління;
• F – робота з витримкою часу по сигналу управління;
• G – робота з витримкою часу по сигналу управління;
• H – робота з витримкою часу по сигналу управління;
• I – робота без витримки часу по сигналу управління
(вихідний контакт реле замикається, розмикається
без витримки часу при подачі сигналу управління
на зовнішній контакт S);
• J – генератор імпульсів (після подачі напруги,
починається відлік встановленої витримки часу,
після закінчення якої, формується імпульс
тривалістю 0,5 с).

ФУНКЦІЇ e.control.t06m
enext лого

РЕЛЕ ЧАСУ (ЗАТРИМКА ВИМКНЕННЯ ПІД ЧАС ВІДКЛЮЧЕННЯ ЖИВЛЕННЯ) e.control.t07m

Призначене для забезпечення затримки часу
вимкнення при знятті (втрати) напруги
живлення в ланцюгах автоматики і управління
різними технологічними процесами, системах
автоматичного введення резерву т. ін.

• Діапазон установки часу відключення: від 0,1 до 600 с;

• Ширина – 18 мм.

РЕЛЕ ЧАСУ (ЗАТРИМКА ВИМКНЕННЯ ПІД ЧАС ВІДКЛЮЧЕННЯ ЖИВЛЕННЯ) e.control.t07m
РЕЛЕ ЧАСУ (ЗАТРИМКА ВИМКНЕННЯ ПІД ЧАС ВІДКЛЮЧЕННЯ ЖИВЛЕННЯ) e.control.t07m
enext лого

РЕЛЕ ЗАТРИМКИ ЧАСУ НА ВМИКАННЯ e.control.t15 ТА ВИМКНЕННЯ e.control.t16

Призначені для створення затримки при
увімкненні / вимкненні обладнання та
розширення можливостей використання
контакторів в системах автоматизації
технологічних процесів.

• Діапазон установки часу: від 0,3 до 30 с.;

• Напруга живлення А1-А2 – АС 230 В;
А1-А3 – DC 24 В.

РЕЛЕ ЗАТРИМКИ ЧАСУ НА ВМИКАННЯ e.control.t15 ТА ВИМКНЕННЯ e.control.t16
РЕЛЕ ЗАТРИМКИ ЧАСУ НА ВМИКАННЯ e.control.t15 ТА ВИМКНЕННЯ e.control.t16
РЕЛЕ ЗАТРИМКИ ЧАСУ НА ВМИКАННЯ e.control.t15 ТА ВИМКНЕННЯ e.control.t16
enext лого

РЕЛЕ ЧАСУ АСИМЕТРИЧНОГО ПОВТОРЕННЯ ЦИКЛУ e.control.t17

Призначене для забезпечення періодичних
затримок часу увімкнення/вимкнення в
ланцюгах автоматики і управління різними
технологічними процесами в залежності від
напруги живлення або керуючого контакту.

• Діапазон установки часу: 0,1 с – 100 днів;

• Напруга живлення АС 230 В.

РЕЛЕ ЧАСУ АСИМЕТРИЧНОГО ПОВТОРЕННЯ ЦИКЛУ e.control.t17
РЕЛЕ ЧАСУ АСИМЕТРИЧНОГО ПОВТОРЕННЯ ЦИКЛУ e.control.t17
enext лого

РЕЛЕ ЧАСУ ЗІРКА/ТРИКУТНИК e.control.t18

Призначене для управління контакторами,
які переключають обмотки електродвигуна зі
схеми «зірка» під час пуску на схему
«трикутник» в робочому режимі.

• Діапазон часу уставки роботи для схеми
зірка: 0,1 с – 10 хв;

• Час перемикання на схему трикутник:
75/150 мс.

РЕЛЕ ЧАСУ ЗІРКА/ТРИКУТНИК e.control.t18
РЕЛЕ ЧАСУ ЗІРКА/ТРИКУТНИК e.control.t18
enext лого

РЕЛЕ КОНТРОЛЮ НАПРУГИ e.control.v

РЕЛЕ КОНТРОЛЮ НАПРУГИ e.control.v

ФУНКЦІОНАЛЬНЕ ПРИЗНАЧЕННЯ

Призначення реле контролю напруги
полягає в захисті від недопустимих
коливань напруги, обривів, перекосів фаз
шляхом вимкнення пристроїв від ланцюга
живлення.

ФУНКЦІОНАЛЬНЕ ПРИЗНАЧЕННЯ
ФУНКЦІОНАЛЬНЕ ПРИЗНАЧЕННЯ
enext лого

РЕЛЕ КОНТРОЛЮ НАПРУГИ ОДНОФАЗНЕ e.control.v01

Функціональні можливості однофазного
реле контролю напруги наступні:

• Уставки спрацювання регульовані: по верхній
межі 225-275 В, по нижній межі 165-215 В;
• Регулювання часу затримки вимкнення
навантаження: 0,1-10 с;

• Регулювання часу затримки увімкнення
навантаження: 0,3-30 с;

• Максимальне навантаження становить 25 А.

РЕЛЕ КОНТРОЛЮ НАПРУГИ ОДНОФАЗНЕ e.control.v01
РЕЛЕ КОНТРОЛЮ НАПРУГИ ОДНОФАЗНЕ e.control.v01
enext лого

РЕЛЕ КОНТРОЛЮ НАПРУГИ ОДНОФАЗНЕ e.control.v02

Функціональні можливості однофазного реле
контролю напруги наступні:
• Уставки спрацювання регульовані: по верхній
межі 225-275 В, по нижній межі 165-215 В;
• Регулювання часу затримки вимкнення
навантаження: 0,1-10 с;
• Уставка часу затримки увімкнення
навантаження фіксована – 1 с;

РЕЛЕ КОНТРОЛЮ НАПРУГИ ОДНОФАЗНЕ e.control.v02
РЕЛЕ КОНТРОЛЮ НАПРУГИ ОДНОФАЗНЕ e.control.v02
enext лого

РЕЛЕ КОНТРОЛЮ НАПРУГИ ТРИФАЗНЕ e.control.v03m

Функціональні можливості трифазного реле
контролю напруги наступні:

• Уставки спрацьовування нерегульовані –
по верхній межі 460 В, по нижній межі 340 В;

• Уставка перекосу фаз становить 8%,
а затримка відключення реле – 2 с;

• Граничний струм навантаження не перевищує 8А.

РЕЛЕ КОНТРОЛЮ НАПРУГИ ТРИФАЗНЕ e.control.v03m
РЕЛЕ КОНТРОЛЮ НАПРУГИ ТРИФАЗНЕ e.control.v03m
enext лого

РЕЛЕ КОНТРОЛЮ НАПРУГИ ТРИФАЗНЕ e.control.v04m

Функціональні можливості трифазного реле
контролю напруги наступні:

• Вибір номінальної напруги: 220 В, 230 В, 240 В,
380 В, 400 В, 415 В;

• Уставки спрацьовування регульовані – по верхній
межі 105-130%, по нижній межі 75-95%;

• Уставка перекосу фаз регульована: 5-20%;

• Граничний струм навантаження не перевищує 8 А.

РЕЛЕ КОНТРОЛЮ НАПРУГИ ТРИФАЗНЕ e.control.v03m
РЕЛЕ КОНТРОЛЮ НАПРУГИ ТРИФАЗНЕ e.control.v04m
enext лого

ТРИФАЗНЕ РЕЛЕ КОНТРОЛЮ НАПРУГИ e.control.v06

Дане реле призначене для безперервного
контролю:

• Величини трифазної напруги змінного струму
та захисту споживачів електроенергії від
підвищеної або зниженої напруги;

• Правильного порядку чергування фаз;

• Симетричності напруги (перекіс фаз);

• Повнофазності напруги (обрив фази).

РЕЛЕ КОНТРОЛЮ НАПРУГИ ТРИФАЗНЕ e.control.v03m
ТРИФАЗНЕ РЕЛЕ КОНТРОЛЮ НАПРУГИ e.control.v06
enext лого

РЕЛЕ КОНТРОЛЮ НАПРУГИ ОДНОФАЗНЕ З ІНДИКАЦІЄЮ e.control.v08 (32 А) e.control.v17 (40 А) e.control.v09 (63 А)

Функціональні можливості однофазного реле
контролю напруги наступні:

• Регулювання напруги за верхньою межею: 230-270 В;

• Регулювання напруги за нижньою межею: 160-210 В;

• Уставка часу відключення навантаження:
– при підвищеній напрузі – 0,5 с;
– при зниженій напрузі – ≥120 В – 0,5 с; ≤120 В – 0,1 с;

• Уставка часу включення навантаження: 5-600 с.

РЕЛЕ КОНТРОЛЮ НАПРУГИ ОДНОФАЗНЕ З ІНДИКАЦІЄЮ
РЕЛЕ КОНТРОЛЮ НАПРУГИ ОДНОФАЗНЕ З ІНДИКАЦІЄЮ
enext лого

РЕЛЕ КОНТРОЛЮ НАПРУГИ ТА СТРУМУ ТРИФАЗНЕ 63 А З ІНДИКАЦІЄЮ e.control.v16

Функціональні можливості реле контролю
напруги наступні:

• Захист від коливань напруги: по верхній межі
220-300 В, по нижній межі 120-210 В;

• Захист від перевантаження: 5-63 А;

• Регулювання часу затримки увімкнення
навантаження: 5-600 с;

• Контроль асиметрії та послідовності фаз;

• Режими роботи реле: трифазний, три однофазних;

• Ширина 89,5 мм ( 5модулів).

РЕЛЕ КОНТРОЛЮ НАПРУГИ ТА СТРУМУ ТРИФАЗНЕ 63 А З ІНДИКАЦІЄЮ e.control.v16
РЕЛЕ КОНТРОЛЮ НАПРУГИ ТА СТРУМУ ТРИФАЗНЕ 63 А З ІНДИКАЦІЄЮ e.control.v16
enext лого

РЕЛЕ КОНТРОЛЮ НАПРУГИ ТА СТРУМУ ОДНОФАЗНЕ 63А З ІНДИКАЦІЄЮ e.control.pro.vcm63

Функціональні можливості реле контролю
напруги та струму наступні:

• Налаштування захист від коливань напруги 85-300В;
• Захист від перевантаження: 1-80 А;

• Регулювання часу затримки увімкнення
навантаження: 2-512 с;

• Облік електроенергії 0-9 999,9 кВт*год;

• Ширина 36 мм ( 2модулі).

РЕЛЕ КОНТРОЛЮ НАПРУГИ ТА СТРУМУ ОДНОФАЗНЕ 63А З ІНДИКАЦІЄЮ e.control.pro.vcm63
РЕЛЕ КОНТРОЛЮ НАПРУГИ ТА СТРУМУ ОДНОФАЗНЕ 63А З ІНДИКАЦІЄЮ e.control.pro.vcm63
enext лого

РЕЛЕ ВИБОРУ ПРІОРИТЕТНОЇ ФАЗИ e.control.v11

Реле вибору фаз призначене для живлення
промислового або побутового однофазного
навантаження від трифазної мережі, з метою
забезпечення безперебійного живлення
однофазних споживачів і захисту їх від
недопустимих коливань напруги.

• Регулювання напруги за верхньою межею: 230-280 В;

• Регулювання напруги за нижньою межею: 160-210 В;

• Уставка часу включення навантаження: 1-600 с;

• Час перемикання до пріоритетної фази: 5-200 с/OFF.

РЕЛЕ ВИБОРУ ПРІОРИТЕТНОЇ ФАЗИ e.control.v11
РЕЛЕ ВИБОРУ ПРІОРИТЕТНОЇ ФАЗИ e.control.v11
enext лого

РЕЛЕ ІМПУЛЬСНЕ e.control.i02

Реле імпульсне e.control.i02 призначене
для управління освітлювальним або іншим
електротехнічним обладнанням з декількох
місць за допомогою паралельно з’єднаних
кнопкових вимикачів. Максимальний струм
навантаження становить 16 А.

РЕЛЕ ІМПУЛЬСНЕ e.control.i02
РЕЛЕ ІМПУЛЬСНЕ e.control.i02
enext лого

РЕЛЕ СУТІНКОВЕ З ВИНОСНИМ ДАТЧИКОМ e.control.s01

Реле сутінкові призначені для автоматичного
включення і відключення освітлювального та
іншого електротехнічного обладнання в
залежності від рівня зовнішньої освітленості.
Максимальний струм навантаження
становить 20 А.

РЕЛЕ СУТІНКОВЕ З ВИНОСНИМ ДАТЧИКОМ e.control.s01
РЕЛЕ СУТІНКОВЕ З ВИНОСНИМ ДАТЧИКОМ e.control.s01
enext лого

РЕЛЕ КОНТРОЛЮ ТЕМПЕРАТУРИ e.control.h01

Реле контролю температури призначене для
контролю і підтримки температури повітря
житлових і виробничих приміщень, а також
об’єктів і рідин в різних технологічних процесах
на заданому рівні, за допомогою управління
обігрівальним або охолоджуючим обладнанням.
Діапазон уставки температури становить
від -5 до +40 °С.

РЕЛЕ КОНТРОЛЮ ТЕМПЕРАТУРИ e.control.h01
РЕЛЕ КОНТРОЛЮ ТЕМПЕРАТУРИ e.control.h01
enext лого

РЕЛЕ КОНТРОЛЮ ТЕМПЕРАТУРИ e.control.h02

Представлене реле контролю температури
призначене для контролю і підтримки
температури повітря житлових і виробничих
приміщень, а також об’єктів і рідин в різних
технологічних процесах на заданому рівні, за
допомогою управління обігрівальним або
охолоджуючим обладнанням. Діапазон уставки
температури становить від -25 до +130 °С.

РЕЛЕ КОНТРОЛЮ ТЕМПЕРАТУРИ e.control.h02
РЕЛЕ КОНТРОЛЮ ТЕМПЕРАТУРИ e.control.h02
enext лого

РЕЛЕ КОНТРОЛЮ РІВНЯ РІДИНИ e.control.l01 ТА ДАТЧИК e.control.l02

Реле призначене для контролю рівня
струмопровідних рідин за допомогою датчику
e.control.l02. Реле підходить для контролю рівня
рідин в баку, басейні і т.п.

РЕЛЕ КОНТРОЛЮ РІВНЯ РІДИНИ e.control.l01 ТА ДАТЧИК e.control.l02
РЕЛЕ КОНТРОЛЮ РІВНЯ РІДИНИ e.control.l01 ТА ДАТЧИК e.control.l02
РЕЛЕ КОНТРОЛЮ РІВНЯ РІДИНИ e.control.l01 ТА ДАТЧИК e.control.l02
enext лого

РЕЛЕ КОНТРОЛЮ ПОТУЖНОСТІ e.control.w

РЕЛЕ КОНТРОЛЮ ПОТУЖНОСТІ e.control.w
enext лого

РЕЛЕ КОНТРОЛЮ СТРУМУ (ПРІОРИТЕТНЕ) e.control.w02

Реле такого типу призначені для захисту
двигунів або інших систем від перевищення
споживаного струму в залежності від
заданого значення. Відзначимо наступні
технічні особливості:

• Уставка номінального струму: 1-10 А;

• Затримка часу при відключенні: 0,5-10 с;

• Затримка часу при включенні: 1-6 с.

РЕЛЕ КОНТРОЛЮ СТРУМУ (ПРІОРИТЕТНЕ) e.control.w02
РЕЛЕ КОНТРОЛЮ СТРУМУ (ПРІОРИТЕТНЕ) e.control.w02
enext лого

РЕЛЕ КОНТРОЛЮ ПОТУЖНОСТІ НАСОСА ОДНОФАЗНЕ e.control.w03

Реле такого типу призначені для захисту
двигунів або інших систем від перевищення
споживаного струму в залежності від заданого
значення. Відзначимо наступні технічні
особливості:

• Уставка номінального струму: 0,5-5 А;

• Уставка спрацювання при зниженому
струмі: 40-100%;

• Затримка часу при включенні: 2-60 хв

РЕЛЕ КОНТРОЛЮ ПОТУЖНОСТІ НАСОСА ОДНОФАЗНЕ e.control.w03
РЕЛЕ КОНТРОЛЮ ПОТУЖНОСТІ НАСОСА ОДНОФАЗНЕ e.control.w03
enext лого

ЛІЧИЛЬНИК ОДНОФАЗНИЙ e.control.w04m 5(45)А

Призначений для некомерційного
(внутрішнього) обліку електричної енергії.

• Діапазон показання лічильника: 0-99999,99 кВт*год;

• Константа лічильника 2000 імпульсів/кВт*год;

• Ширина – 18 мм.

ЛІЧИЛЬНИК ОДНОФАЗНИЙ e.control.w04m 5(45)А
ЛІЧИЛЬНИК ОДНОФАЗНИЙ e.control.w04m 5(45)А
enext лого

ЛІЧИЛЬНИК ТРИФАЗНИЙ e.control.w05 10(100)А

Призначений для некомерційного
(внутрішнього) обліку електричної енергії.

• Діапазон показання лічильника: 0-999999,99 кВт*год;

• Константа лічильника 2000 імпульсів/кВт*год;

• Ширина – 70 мм.

ЛІЧИЛЬНИК ТРИФАЗНИЙ e.control.w05 10(100)А
ЛІЧИЛЬНИК ТРИФАЗНИЙ e.control.w05 10(100)А
enext лого

ЛІЧИЛЬНИК БАГАТОФУНКЦІОНАЛЬНИЙ e.control.w07

Функціональні можливості
Управління відбувається через Wi-Fi в мобільному
застосунку Tuya Smart або Smart Life.
Основні функції:

• Wi-Fi реле;

• Лічильник

• Тижневий таймер;

• Реле контролю напруги

• Реле контролю струму

ЛІЧИЛЬНИК БАГАТОФУНКЦІОНАЛЬНИЙ e.control.w07
ЛІЧИЛЬНИК БАГАТОФУНКЦІОНАЛЬНИЙ e.control.w07
enext лого

ТРИФАЗНІ ЛІЧИЛЬНИКИ З RS485 e.control.w08 та e.control.w09

e.control.w08 – прямого підключення до 100А
e.control.w09 – трансформаторного підключення 5А
Функціональні можливості

• Дистанційне зчитування параметрів через RS485;• Запис споживання активної електроенергії;

• Запис споживання реактивної електроенергії;

• Облік згенерованої електроенергії;

• Відображення миттєвих показників електроенергії.

ТРИФАЗНІ ЛІЧИЛЬНИКИ З RS485 e.control.w08 та e.control.w09
ТРИФАЗНІ ЛІЧИЛЬНИКИ З RS485 e.control.w08 та e.control.w09
ТРИФАЗНІ ЛІЧИЛЬНИКИ З RS485 e.control.w08 та e.control.w09
enext лого

РЕЛЕ КОНТРОЛЮ ТА УПРАВЛІННЯ РОЗЕТОЧНОГО ТИПУ e.control.t,v,d

РЕЛЕ КОНТРОЛЮ ТА УПРАВЛІННЯ РОЗЕТОЧНОГО ТИПУ e.control.t,v,d
enext лого

ТАЙМЕР ЕЛЕКТРОМЕХАНІЧНИЙ РОЗЕТКОВИЙ ДОБОВИЙ e.control.t11

• Номінальний струм – 16 A (AC1);

• Максимальна кількість циклів Увімк/Вимк – 48;

• Мінімальний крок установки часу роботи – 15 хв.

ТАЙМЕР ЕЛЕКТРОМЕХАНІЧНИЙ РОЗЕТКОВИЙ ДОБОВИЙ e.control.t11
ТАЙМЕР ЕЛЕКТРОМЕХАНІЧНИЙ РОЗЕТКОВИЙ ДОБОВИЙ e.control.t11
enext лого

ТАЙМЕР ЕЛЕКТРОМЕХАНІЧНИЙ РОЗЕТКОВИЙ ТИЖНЕВИЙ e.control.t12

• Номінальний струм – 16 А (АС1);

• Максимальна кількість циклів Увімк/Вимк на
добу/тиждень – 6/42;

• Мінімальний крок установки часу роботи – 2 год.

ТАЙМЕР ЕЛЕКТРОМЕХАНІЧНИЙ РОЗЕТКОВИЙ ДОБОВИЙ e.control.t11
ТАЙМЕР ЕЛЕКТРОМЕХАНІЧНИЙ РОЗЕТКОВИЙ ТИЖНЕВИЙ e.control.t12
enext лого

ТАЙМЕР ЕЛЕКТРОННИЙ ТИЖНЕВИЙ РОЗЕТКОВИЙ e.control.t13

• Номінальний струм In, А – 8 А (АС1);

• Максимальна кількість циклів Увімк/Вимк на
добу/тиждень – 20/140;

• Мінімальний крок установки часу роботи – 1 хв;

• Час роботи від акумулятора – не менше 100 год.

ТАЙМЕР ЕЛЕКТРОННИЙ ТИЖНЕВИЙ РОЗЕТКОВИЙ e.control.t13
ТАЙМЕР ЕЛЕКТРОННИЙ ТИЖНЕВИЙ РОЗЕТКОВИЙ e.control.t13
enext лого

ТАЙМЕР ЕЛЕКТРОННИЙ ТИЖНЕВИЙ РОЗЕТКОВИЙ e.control.t14

• Номінальний струм – 16 А (АС1);

• Максимальна кількість циклів Увімк/Вимк на
добу/тиждень – 8/56;

• Мінімальний крок установки часу роботи – 1 хв;

• Час роботи від акумулятора – не менше 100 год.

ТАЙМЕР ЕЛЕКТРОННИЙ ТИЖНЕВИЙ РОЗЕТКОВИЙ e.control.t14
ТАЙМЕР ЕЛЕКТРОННИЙ ТИЖНЕВИЙ РОЗЕТКОВИЙ e.control.t14
enext лого

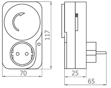
РЕЛЕ КОНТРОЛЮ НАПРУГИ ОДНОФАЗНЕ РОЗЕТОЧНОЕ e.control.v07, 16A

• Номінальний струм In – 16 А (АС1);

• Межі: нижнього діапазону – 160-210 В,
верхнього – 220-280 В;

• Діапазон регулювання часу затримки
при повторному включенні – 5-600 с.

РЕЛЕ КОНТРОЛЮ НАПРУГИ ОДНОФАЗНЕ РОЗЕТОЧНОЕ e.control.v07, 16A
РЕЛЕ КОНТРОЛЮ НАПРУГИ ОДНОФАЗНЕ РОЗЕТОЧНОЕ e.control.v07, 16A
enext лого

ПРОМІЖНІ РЕЛЕ e.control.p

ПРОМІЖНІ РЕЛЕ e.control.p
enext лого

ПРИЗНАЧЕННЯ

Проміжні реле призначені для розгалуження
і передачі сигналів управління виконавчим
елементам в ланцюгах управління і
автоматизації.

ПРИЗНАЧЕННЯ
enext лого

АСОРТИМЕНТ

Асортиментна група проміжних реле
являє собою наступне:

• Номінальний струм контактів до 10 А;

• Кількість контактів 3 або 4;

• Котушка управління на DC 12, 24 В або
AC 12, 24, 110, 230 B.

АСОРТИМЕНТ
enext лого

КОНСТРУКТИВНІ ОСОБЛИВОСТІ

• Контакти приєднані за допомогою точкового
зварювання;

• Контактни в модульному роз’ємі з’єднані
суцільною ламеллю з контактним затискачем;

• Напайки виконані зі срібловмісного
композиту.

КОНСТРУКТИВНІ ОСОБЛИВОСТІ
enext лого

Продукти

Прокрутка до верху